一般規格品カタログダウンロード

カタログ(各寸法図)をダウンロードできます。

90°エルボ
90°エルボの図面

差込み:SW
ねじ込:Rc(PT)

型打ち鍛造品

炭素鋼

ステンレス鋼

ティー
ティーの図面

差込み:SW
ねじ込:Rc(PT)

型打ち鍛造品

炭素鋼

ステンレス鋼

45°エルボ
45°エルボの図面

差込み:SW
ねじ込:Rc(PT)

型打ち鍛造品

炭素鋼

ステンレス鋼

クロス
クロスの図面

差込み:SW
ねじ込:Rc(PT)

型打ち鍛造品

炭素鋼

ステンレス鋼

ストリート
エルボ
ストリートエルボの図面

ねじ込:Rc × R(PT)

型打ち鍛造品

炭素鋼

ステンレス鋼

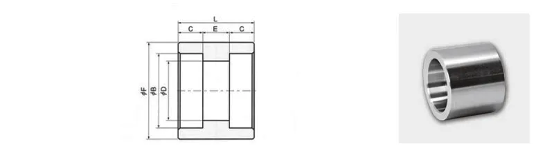
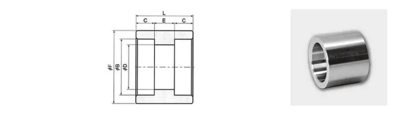
フルカップリング
フルカップリングの図面

差込み:SW

炭素鋼

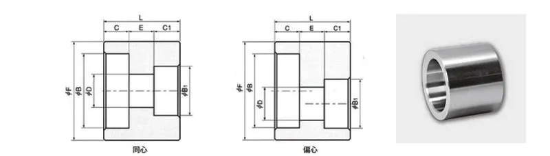
レジューサ
レジューサの図面

差込み:SW

炭素鋼

フルカップリング
フルカップリングの図面

差込み:SW

ステンレス鋼

レジューサ
レジューサの図面

差込み:SW

ステンレス鋼

フルカップリング
フルカップリングの図面

ねじ込:Rc(PT)
差込み × ねじ込:SW × Rc(PT)

炭素鋼

ステンレス鋼

ハーフカップリング、
およびボス
ハーフカップリング、およびボスの図面

差込み:SW

炭素鋼

ハーフカップリング、
およびボス
ハーフカップリング、およびボスの図面

差込み:SW

ステンレス鋼

ハーフカップリング、
およびボス
ハーフカップリング、およびボスの図面

ねじ込:Rc(PT)

炭素鋼

ステンレス鋼

キャップ
キャップの図面

差込み:SW

炭素鋼

ステンレス鋼

丸キャップ
丸キャップの図面

ねじ込:Rc(PT)

炭素鋼

ステンレス鋼

六角キャップ
六角キャップの図面

ねじ込:Rc(PT)

炭素鋼

六角ソケット
六角ソケットの図面

ねじ込:Rc(PT)

炭素鋼

45°カットボス
45°カットボスの図面

差込み:SW
ねじ込:Rc(PT)

炭素鋼

ステンレス鋼

インサート
レジューサ
インサートレジューサの図面

炭素鋼

ステンレス鋼

ユニオン:
Oリング式
ユニオン:Oリング式の図面

差込み:SW
ねじ込:Rc(PT)

炭素鋼

ステンレス鋼

メスオス・
ソケット
メスオス・ソケットの図面

ねじ込:Rc × R(PT)

炭素鋼

六角(八角)
ニップル
六角(八角)ニップルの図面

ねじ込:R(PT)

炭素鋼

ステンレス鋼

六角(八角)
ブッシング
六角(八角)ブッシングの図面

ねじ込:R × Rc(PT)

炭素鋼

ステンレス鋼

六角(八角)
プラグ
六角(八角)プラグの図面

ねじ込:R(PT)

炭素鋼

ステンレス鋼

四角プラグ
四角プラグの図面

ねじ込:R(PT)

炭素鋼

沈みプラグ
沈みプラグの図面

ねじ込:R(PT)

炭素鋼

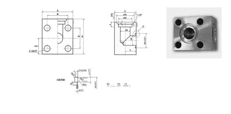
油圧用管
フランジ
油圧用管フランジの図面

SHA、SHB(21Mpa(210K))

炭素鋼

ステンレス鋼

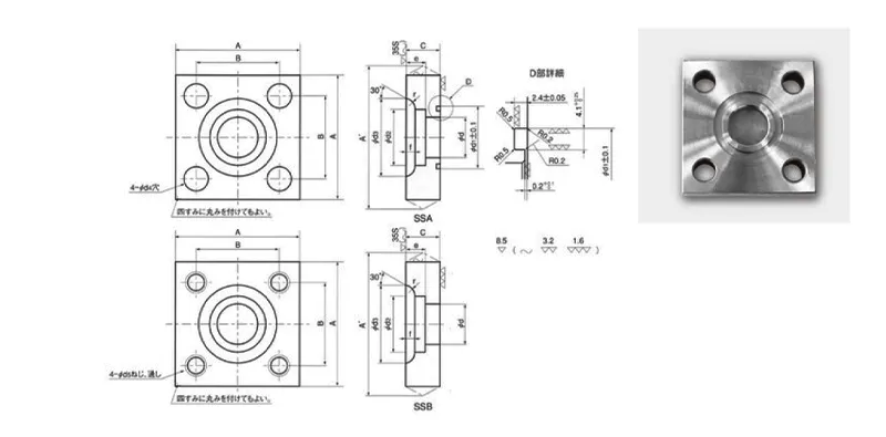
油圧用管
フランジ
油圧用管フランジの図面

SSA、SSB(21Mpa(210K))

炭素鋼

ステンレス鋼

油圧用管
フランジ
油圧用管フランジの図面

LSA(21Mpa(210K))

炭素鋼

ステンレス鋼

油圧用管
フランジ
油圧用管フランジの図面

SHA、SHB(280K)

炭素鋼

ステンレス鋼

油圧用管
フランジ
油圧用管フランジの図面

SHA、SHB(350K)

炭素鋼

ステンレス鋼

管用テーパねじ
(JIS B 0203抜粋)
管用テーパねじ(JIS B 0203抜粋)の図面